

下图中,左上角是 555 定时器本体。右上角是施密特触发器,左下角是单稳态触发器,右下角是多谐振荡器。这一章就围绕这几个东西展开。

产生矩形脉冲的方法:各种形式的多谐振荡器 波形变换电路:比较器、施密特触发器
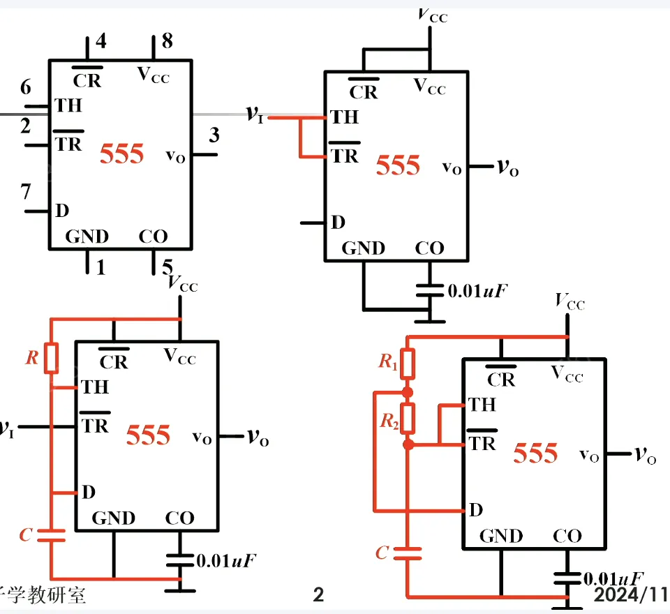
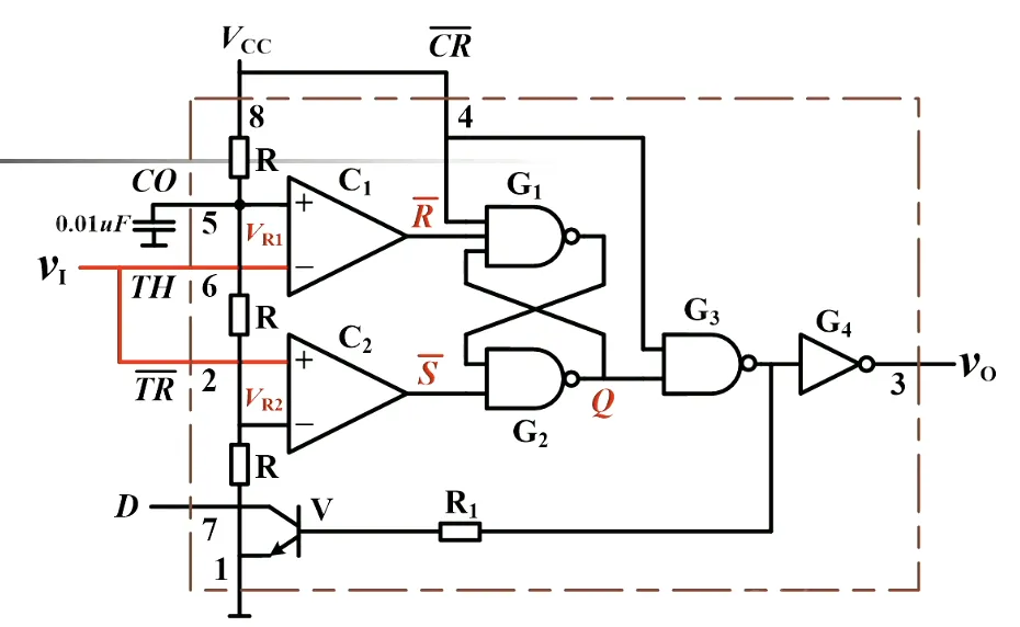
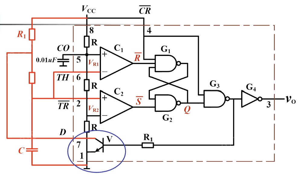
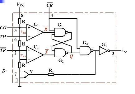
集成 555 定时器。长这样。
三个电阻 R,是电阻分压器。两个比较器(开环的运放)。右边是 RS 锁存器。左下角是一个开关三极管,基极高电平导通, 低电平截止。最右侧反向器充当输出缓冲功能
- CO 不是进位输出,是 control 的意思。
- CO 端没有外加电压(即通过小电容接地,通常是 )时,,
- CO 端外加电压时,,
- 开环的运放叫做电压比较器,当 时输出正电压, 时输出负电压,电压绝对值即运放供电电压最大值。一般不会相等,因为灵敏度很高基本不可能稳定相等
- RS 锁存器,低电平有效。即比较器结果决定输出状态
- 开关三极管,当 时 输出低电平, 低电平,三极管截止;当 时 输出高电平, 高电平,三极管导通
综上可以给出的工作状态总结表
| 三极管 | 工作状态 | ||||
|---|---|---|---|---|---|
| 0 | 0 | 导通 | 清零 | ||
| 1 | 0 | 导通 | 置 0 | ||
| 1 | 原状态 | 原状态 | 保持 | ||
| 1 | 1 | 截止 | 置 1 |
施密特触发器,两个稳定状态#
施密特触发器:有两个稳定的输出状态(高/低电平),状态的维持与转化均与输入电压有关。两个阈值电压 ,他就是拿来整形的,把边沿变得陡峭。
施密特触发器传输特性
当输入电压增加到上限阈值时,输出翻转;当输入电压下降到上限阈值时,输出不翻转,只有小到下限阈值时才翻转。此为滞回特性。当输入小、输出小时称为同相型,当输入小、输出大时称为反相型。如果只有一个阈值,那么当数值在阈值附近波动时状态会反复切换。所以才引入了两个阈值,构造滞回区间,增加稳定性。回差电压
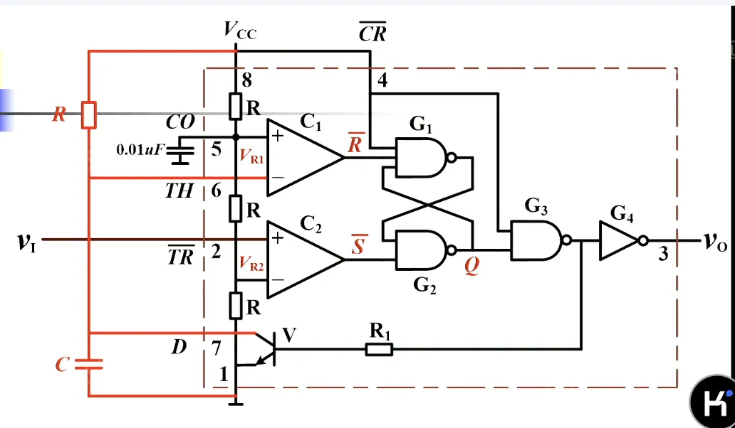
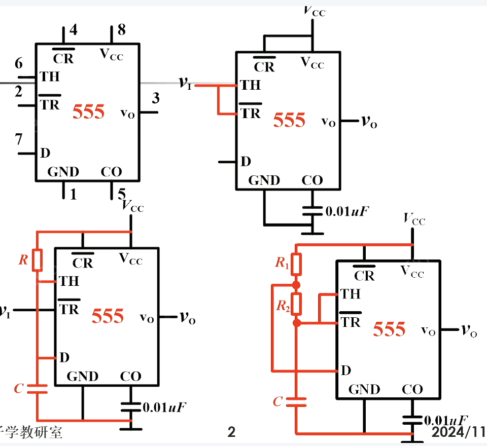
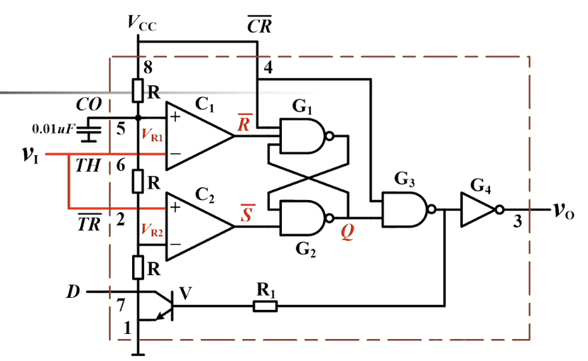
555 定时器构成施密特触发器的方法:把 和 接一起,外接输入电压。实现滞回的,就是 RS 的保持状态。这样构成的是一个反相型施密特触发器。

- 输入电压增大的过程:
- 当 时,输出电压为高电平
- 当 ,输出电压保持刚才的高电平状态
- 当 时,输出电压变成低电平。
- 输入电压减小的过程:
- 当 时,输出电压为低电平
- 当 ,输出电压保持刚才的低电平状态
- 当 时,输出电压变为高电平
阈值电压 回差电压
施密特触发器的三个功能。
- 波形变换

- 整形,即消除畸变

- 鉴幅,即选出高于某电压的脉冲,其他的都洗掉

我们说,某某类型的触发器,只代表电路的功能。所以施密特触发器也是可以使用其他方式实现的。

单稳态触发器,一个稳定一个暂态#
单稳态触发器只有一个稳态。在外加触发脉冲的作用下,电路进入暂态,经过一段时间后自动返回稳态。这段时间是一个固定的值,只取决于电路的参数,与外加触发脉冲的宽度无关。
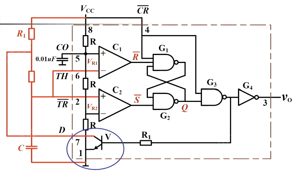
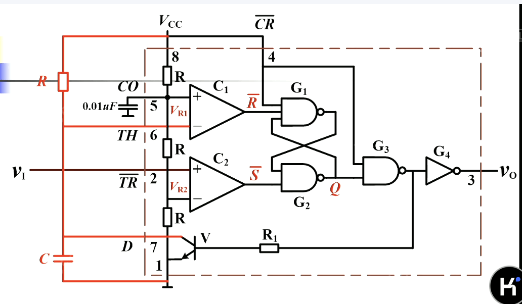
用 555 定时器构成单稳态触发器

- 左边的 RC 就是定时用的。 就是电容的充电电压。负触发脉冲到来之前,低触发端处于高电平,锁存器输出状态保持低电平(稳态), 输出低电平,三极管导通,相当于电容两端都接地,电容短路掉,什么都不会发生。
- 负脉冲来了, 减小,S 端有效,锁存器变高电平, 输出高电平,三极管截止,VCC 开始给电容充电。充电过程,TH 的电压逐渐增大,直到增大到 时,R 端有效,锁存器变低电平, 输出低电平,三极管导通,电容放电,回到上一点。而 RC 充电过程时间是确定的。
根据电路分析知识可得 ,代入 得
注意:
- 输出脉冲宽度与输入脉冲无关,但输入脉冲不能太宽,否则充完电后还有负脉冲,导致充电超过三分之二
- 输入脉冲间隔不能太小,因为电容放电也需要时间,要等电容放完电才能来下一个脉冲
同样,单稳态触发器作为一种功能触发器,也可以有其他实现方式。下面这个电路便是一个。没有 RC 的时候存在竞争冒险,会有一个信号快一些。而“快一些”本身就是一种暂态,使用 RC 将这个暂态的时间延长,也可以实现控制脉冲宽度

多谐振荡器,两个暂态#
输出有两个暂态,不需要外部信号,就能在两个暂态之间连续交替转换,产生矩形脉冲信号。
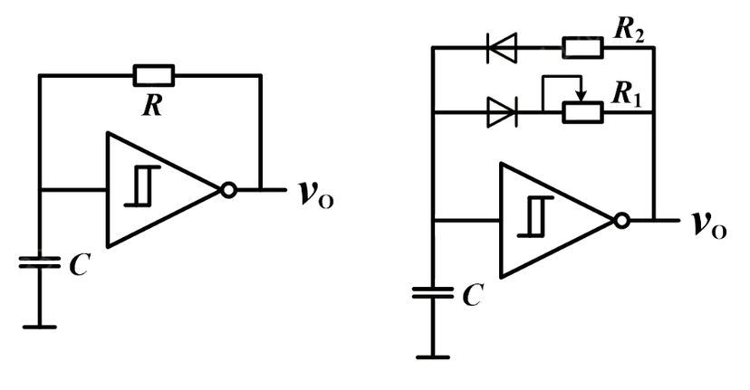
用 555 定时器构成多谐振荡器(红色的电阻是 )。其实是一个施密特触发器和两组 RC

充电是 ,放电是 (通过 和 之间的钮流到 )
因此由电分知识有
- 占空比 ,可知占空比始终大于 50%
占空比可调且可以调到比 50% 小:如图,充电时候经过二极管 1 和 ,放电时候经过二极管 2 和 ,占空比

施密特触发器可以构成多谐振荡器

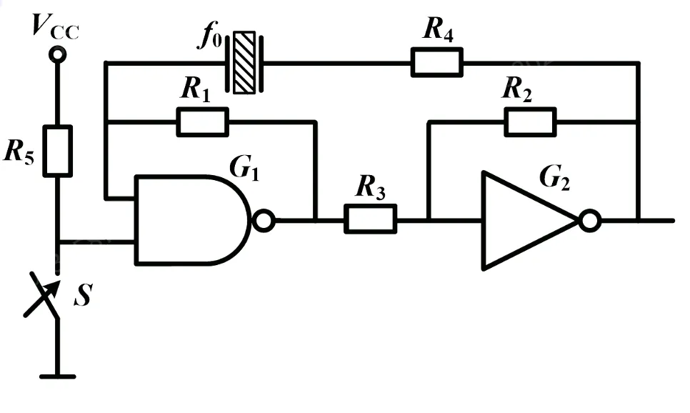
门电路可以构成多谐振荡器,利用的是反向器的延时。注意要用奇数个反向器才行。同样使用 RC 延长这段时间差。这叫做环形振荡器。最下面的是实用环形振荡器

对称式多谢振荡器可以产生方波。当然还有非对称

石英晶体的特征:当外加信号频率等于石英晶体的固有频率(,可以用分频电路整出秒脉冲)一致时,等效阻抗最小且为纯电阻,信号最容易通过。利用 TTL 非门与石英晶体构成多谐振荡器。
改进:可控

