

能够存储 1 位二进制数字信号的基本单元电路称为触发器
按逻辑功能分类
- RS
- JK
- D
- T 或 T’
- (基本 RS 不算)
按结构分类
- 基本 RS 触发器
- 同步触发器
- 主从触发器
- 边沿触发器
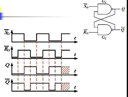
基本 RS 触发器#
两个与非门首尾相连或交叉耦合

电路图

定义不同输入组合的状态名称
- 0 状态:,
- 1 状态:,
- 直接置 1 端,低电平有效。右下角的 D 表示 Directly,后面会说为什么
- 直接置 0 端,低电平有效
对应这些功能
- 置 1 功能:,,这样就存了一个 1(指的是 )
- 置 0 功能:,,这样就存了一个 0
- 保持功能:,,由于两个都是低电平有效,此时两个都是无效的。此时状态保持住,数据记忆了。我们记触发器接收信号之前所处的状态称为初态,符号 ;接收信号之后建立的新状态叫做次态,符号 。次态不仅和输入信号有关,还和次态有关。
- 无意义状态:,,此时 和 都是 1,就错误了。见下图的阴影部分,当出现无意义状态后来了一个保持状态,整个系统就无序了。所以说并不是无意义状态下出现随机,而是无意义之后如果来了一个保持,系统就会在 0 和 1 之间反复横跳
描述触发器功能的方法
- 波形图

- 特性表

- 表达式(特性方程):,约束条件 (即 RS 不能同时为 1,否则进入无意义状态)。写表达式的方法就是真值表到表达式的方法,只要把 当作一个单独的符号即可
或非门也可以构成 RS 触发器

同步 RS 触发器#
实践中通常会用很多触发器。为了避免触发器之间相互影响,我们希望这些触发器有一个统一的时刻表、一令一动,即只有在公共同步信号到达的时候,才根据输入信号改变输出状态。称这个同步信号叫做时钟脉冲信号,简称时钟(Clock Pulse,CP)。这么做可能会降低速度,但是只要我时钟足够快就可以。计算机芯片主频越做越快就是提高效率用的(提一嘴,注意 CP 和 CR 的区分,CP 是时钟,CR 是 clear 的缩写,是清空或者复位的)
右边两个是一个基本 RS 触发器,左边两个是输入控制电路
和 称为异步输入信号, 和 称为同步输入信号。以后我们管在时钟控制下的信号叫同步信号,和时钟没关系的叫异步信号。 和 高电平有效, 和 低电平有效
看看工作原理
先考虑同步工作时候。令 、,两个都无效,处于保持状态。如果 ,左边两个与非门都被封锁,不管 、 输入什么信号,左边两个门的输出都是 1,将触发器置于保持状态;如果 ,左侧门导通,、 经过反向后进入触发器,就和之前一样了。分类如下
- 无意义,禁止出现
发现这与或非门构成的基本 RS 触发器是一致的

表达式 ,约束条件

这里解释一下 Directly 的意思,因为 和 这两个端可以直接对触发器进行更改,而不受到时钟信号的限制,可以随时预置(预置后应该使得异步端处于无效状态)
主从触发器#
刚才说使用同步的目的就是希望一令一动。如果在 时输入信号发生多次变化,那么触发器的状态也会发生多次翻转,称为空翻。为了尽可能减少空翻现象,发明了主从型、边沿型等形式的触发器
主从型,符号上面有一个直角标记。注意!!!!符号图有错误!!!符号那里 CP 前面有一个圈!!!!有圈表示下降沿触发!!!没圈表示上升沿触发!!!

工作原理: 时,主触发器根据 S、R 的状态翻转,从触发器处于保持状态。CP 回到 0 时,主触发器处于保持状态,CP 经过反向器接到从触发器,此时从触发器被打开,并按照与主触发器的输出进行翻转。即 时候设定 S、R 的信号但不产生效果,直到 CP 下降沿时才按照设定的信号产生效果,这个效果的表达式与基本 RS 触发器是一致的,即把 的信号直接传过来

JK 触发器#
为了解决 无意义状态的问题,发明了 JK 触发器。JK 是两个人名的缩写。对应关系:J 和之前的 S 对应,K 和之前的 R 对应。记忆方法:把 R 的上半部分折起来,看起来和把 K 上半部分遮起来一模一样,同理 J 和 S 也是

CP=1 时,主触发器根据 JK 状态而动作,从触发器处于保持状态;CP=0 时,从触发器根据主触发器的状态进行输出。对于 的输入组合,这些和之前都是一样的。
当 的时候,出现无意义状态,即当 CP 下降沿的时候电路变得随机。但不论怎么随机,要么 Q=0 要么 Q=1,分类讨论一下。发现当 的时候,推导完得 ;当 的时候,推导完得 。于是得出结论:
完整列表:
- 特性方程

上面说的功能,有一个基本前提:CP=1 时 J 与 K 不发生变化。如果 J、K 在 CP=1 时发生了变化,则不能直接根据 CP 下降沿前的 JK 状态判断 Q 的变化。因为 CP=1 时,主触发器的左侧两个门总会有一个是被封锁的,只能接受没被封锁的那个门的信号。见下图

边沿触发器#
进一步优化,把 CP=1 时输入状态可能发生的变化也优化掉。我们不用 CP=1 这么长一段时间,只用 CP 的上升或者下降时刻输入信号的状态,而其他时候输入信号的任何变化都不会影响触发器的次态。电路图比较复杂,也不考。只要知道符号表达即可。
对于边沿触发器,CP 里面有一个小三角。如果 CP 外面没有圆圈,说明是上升沿触发;如果 CP 外面有圆圈,说明是下降沿触发

T 触发器与 D 触发器#
描述功能的方法:特性表、状态转换图、特性方程
所谓什么 RS、什么 JK,它是描述功能的名词,而不是描述电路的名词。就像 RS 触发器既可以用与非门又可以用或非门,只要是实现对应功能的电路,都能叫某某触发器。
下面补充几个触发器类型
D 触发器:输入什么我就记忆什么。例如下图中,当 CP 上升沿的时候,输入是什么输出就是什么,相当于导线,只是它有记忆功能。

T 触发器:当触发器有效时, 时保持, 时翻转
T’ 触发器:让 T 触发器的输入端接 1。例如图中,每来一个上升沿就翻转。这个东西可以作为计数器的最低位。特性方程
触发器功能转换#
用一个已有触发器,加一个转换电路变成一个新的触发器。其实前面从基本 RS 到同步 RS 再到同步 JK,就是功能转换的一个例子
基本方法:已有触发器的特性方程和待实现触发器特性方程联立,把已有触发器的输入用待实现触发器的输入表示。
D 触发器转 JK 触发器

D 触发器转 T 触发器

D 触发器转 T’ 触发器

JK 触发器转 D 触发器,这里有一个拆项,把 拆成 ,和 JK 特性方程一一对应

JK 触发器转 T 触发器(T’ 也可以,看右图)。
